Kraftstoffeinspritzanlage
Kategorien
-
Digitaler Katalog
- MDW 514S ab BJ91
- MDW 524 (Variante Weißrussland)
- MDW 524 (bis Baujahr 1993)
- MDW 525
- MDW 527 bis BJ1995
- MDW 527 ab BJ1996
- MDW Farmer 220
- Case 521
- Case 525
- Case 527
-
Case CF60
- Schacht
- Drescher
- Dreschwerk
- Reinigung
- Förderung
- Antrieb
- Zentralschmierung
- Zentralschmierung, manuell
- Zentralschmierung, automatisch
- Fahrwerk
- Ländervariante
- Bereifung
- Fahrerstand
- Kabine
- Hydraulikanlage
- Elektroanlage
- Zusatzausrüstung
- Strohhäcksler, elektr. verstellbar
- Strohhäcksler, mech. verstellbar
- Strohhäcksler
- Triebwerk
-
Motor
- Wasserpumpe
- Getriebedeckel, vorn
- Rohrleitung
- Turbolader, Anbauteile
- Turbolader
- Abgasventilsteuerung
- Ölfilter, Ölkühler
- Ölpumpe, Ölheizung
- Zlinderkopf, Abdeckung
- Zylinderkopf, Schwinghebel
- Wasserfilter, Thermostat
- Nockelwelle
- Zylinderblock
- Motorölsystem
- Kurbelwelle
- Schwungrad, Gegenplatte
- Kolben, Pleuelstange
- Dichtungssatz 1
- Dichtungssatz 2
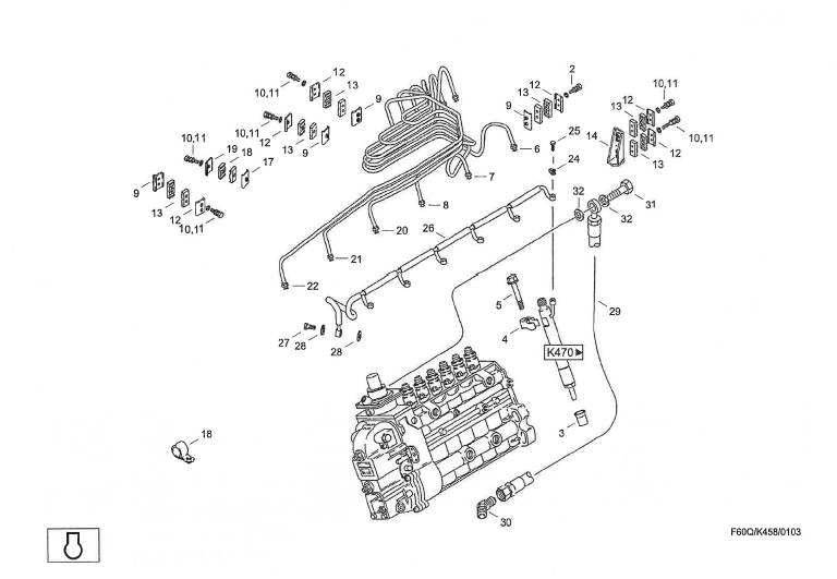
- Kraftstoffeinspritzanlage
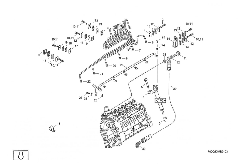
- Kraftstoffeinspritzanlage
- Case CF70
- Case CF80
- Großballenpresse Case 530
- Großballenpresse Case 540
- Großballenpresse Case 550
- Großballenpressen
Produkte filtern
Keine Produkte gefunden.