Triebachse
Kategorien
-
Digitaler Katalog
- MDW 514S ab BJ91
- MDW 524 (Variante Weißrussland)
- MDW 524 (bis Baujahr 1993)
- MDW 525
- MDW 527 bis BJ1995
- MDW 527 ab BJ1996
- MDW Farmer 220
- Case 521
- Case 525
- Case 527
- Case CF60
-
Case CF70
- Schacht
- Drescher
- Dreschwerk
- Reinigung
- Förderung
- Antrieb
- Zentralschmierung
- Zentralschmierung, manuell
- Zentralschmierung, automatisch
-
Fahrwerk
- Anbauteile
- Gestell
- Trommelklappe
- Verkleidung, links
- Seitenklappe
- Träger
- Motorverkleidung
- Lenkachse, Anbauteile
- Lenkachse
- Hydraulikzylinder
- Verkleidung, vorn, rechts
- Verkleidung, vorn, links
- Kraftstofftank
- Auslaufhaube
- Verkleidung, rechts
- Seitenklappe 2
- Träger 2
- Triebachse, Anbauteile
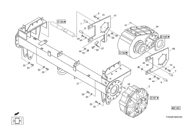
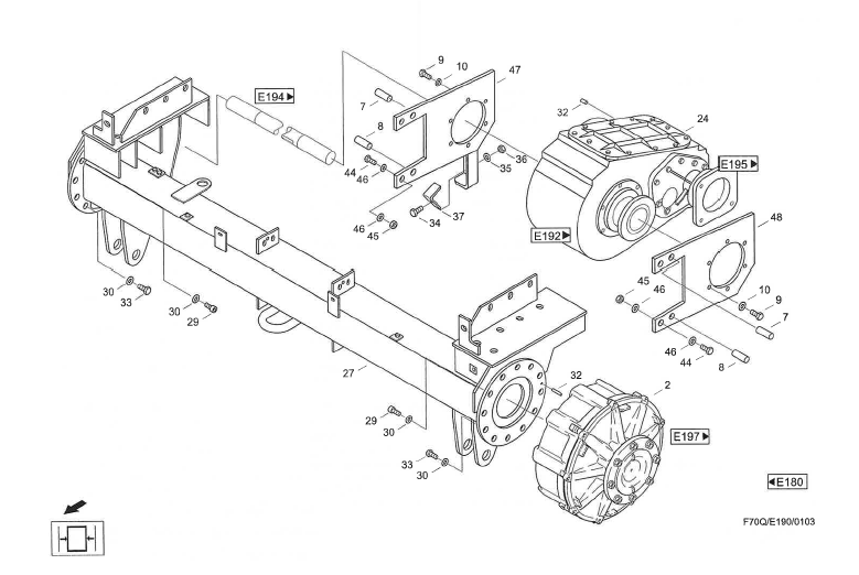
- Triebachse
- Schaltgetriebe
- Differential
- Bremse
- Hydrostatischer Fahrantrieb
- Achsgetriebe
- Anhängevorrichtung
- Werkzeugkasten
- Aufstieg, hinten
- Produktgrafik
- Ländervariante
- Bereifung
- Fahrerstand
- Kabine
- Hydraulikanlage
- Elektroanlage
- Zusatzausrüstung
- Strohhäcksler, elektr. verstellbar
- Strohhäcksler, mech. verstellbar
- Strohhäcksler
- Triebwerk
- Case CF80
- Großballenpresse Case 530
- Großballenpresse Case 540
- Großballenpresse Case 550
- Großballenpressen
Produkte filtern
Keine Produkte gefunden.