Zum Hauptinhalt springen
Zur Suche springen
Zur Hauptnavigation springen
Um unseren Shop in vollem Umfang nutzen zu können, empfehlen wir Ihnen Javascript in Ihrem Browser zu aktivieren.
Landmaschinen Ersatzteile
+49 (0) 3596 / 508 2400
Mo-Fr, 09:00 - 17:00 Uhr
Home
Digitaler Katalog
Zur Kategorie Digitaler Katalog
MDW 514S ab BJ91
MDW 524 (Variante Weißrussland)
MDW 524 (bis Baujahr 1993)
MDW 525
MDW 527 bis BJ1995
MDW 527 ab BJ1996
MDW Farmer 220
Case 521
Case 525
Case 527
Case CF60
Case CF70
Case CF80
Großballenpresse Case 530
Großballenpresse Case 540
Großballenpresse Case 550
Großballenpressen
Menü schließen
Ihr Konto
Anmelden
oder
registrieren
Übersicht
Persönliches Profil
Adressen
Bestellungen
Warenkorb enthält 0 Positionen. Der Gesamtwert beträgt 0,00 €.
Menü schließen
Digitaler Katalog
Case CF70
Förderung
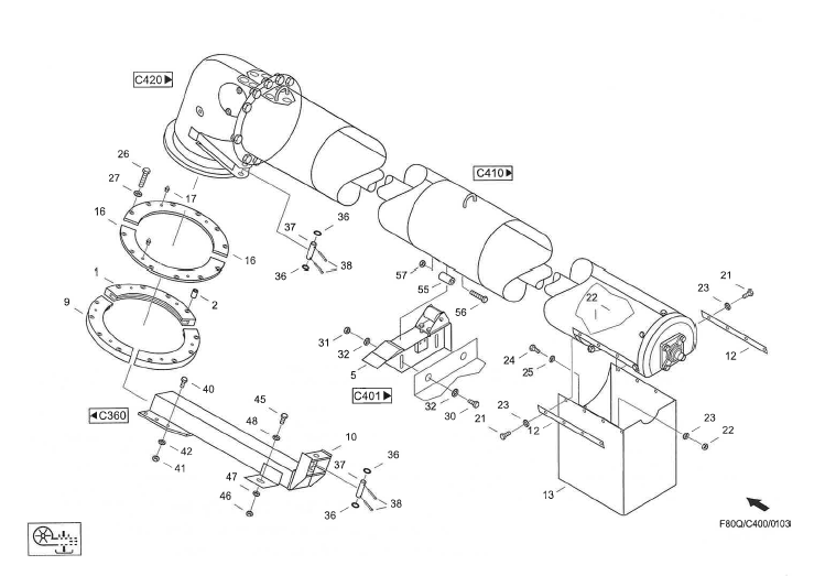
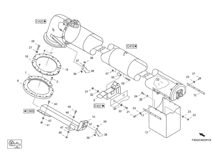
Abtankschnecke, Anbauteile
Abtankschnecke, Anbauteile
Kategorien
Digitaler Katalog
MDW 514S ab BJ91
MDW 524 (Variante Weißrussland)
MDW 524 (bis Baujahr 1993)
MDW 525
MDW 527 bis BJ1995
MDW 527 ab BJ1996
MDW Farmer 220
Case 521
Case 525
Case 527
Case CF60
Case CF70
Schacht
Drescher
Dreschwerk
Reinigung
Förderung
Korntank, Anbauteile
Gehäuse
Mulde
Steigschnecke, Anbauteile
Steigschnecke
Kegelradgetriebe
Abtankschnecke, Anbauteile
Auflage
Abtankschnecke
Knie
Kegelradgetriebe 2
Entnahmevorrichtung
Körnerschnecke, Ährenschnecke
Schnecke
Ährenelevator, Anbauteile
Ährenelevator
Lagerung
Elevatorkette, Ährenelevator
Auswurfkopf
Ährenschnecke, oben, Anbauteile
Ährenschnecke, oben
Kornelevator, Anbauteile
Kornelevator
Elevatorkette
Halter
Tankfüllschnecke, Anbauteile
Tankfüllschnecke
Kegelradantrieb
Korntank, Oberteil
Seitenwand
Korntank, Aufsatz
Stirnwand
Deckel
Gebläse, Schutz
Antrieb
Zentralschmierung
Zentralschmierung, manuell
Zentralschmierung, automatisch
Fahrwerk
Ländervariante
Bereifung
Fahrerstand
Kabine
Hydraulikanlage
Elektroanlage
Zusatzausrüstung
Strohhäcksler, elektr. verstellbar
Strohhäcksler, mech. verstellbar
Strohhäcksler
Triebwerk
Case CF80
Großballenpresse Case 530
Großballenpresse Case 540
Großballenpresse Case 550
Großballenpressen
Produkte filtern
Produkte filtern
Keine Produkte gefunden.
Diese Website verwendet Cookies, um eine bestmögliche Erfahrung bieten zu können.
Mehr Informationen ...
Nur technisch notwendige
Konfigurieren
Zurück