Ährenelevator
Kategorien
-
Digitaler Katalog
- MDW 514S ab BJ91
- MDW 524 (Variante Weißrussland)
- MDW 524 (bis Baujahr 1993)
- MDW 525
- MDW 527 bis BJ1995
- MDW 527 ab BJ1996
- MDW Farmer 220
- Case 521
- Case 525
- Case 527
- Case CF60
- Case CF70
-
Case CF80
- Schneidwerk / Schacht
- Dreschwerk
-
Reinigung/ Körnerförderung
- Reinigung
- Reinigungskasten VM
- Reinigungskasten
- Klappensieb
- Klappenuntersieb
- Kaskadenteil
- Rechen
- Antrieb
- Hublager
- Hublager 2
- Schwinge
- Schwinge 2
- Klappe
- Auslauf
- Verstellstab
- Stufenboden
- Stufenboden VM
- Reinigungsgebläse
- Gebläse VM
- Gebläsegehäuse
- Gebläserad rechts
- Gebläserad links
- Kupplungshälfte
- Verteilschnecke, Hang
- Korntank
- Korntankgehäuse
- Mulde VM
- Vorderwand kpl-
- Steigschnecke
- Steigschnecke VM
- Auflage
- Gleitsegment
- Entnahmevorrichtung
- Entnahmevorrichtung 2
- Korn und Ährenschnecke VM
- Körnerschnecke
- Ährenschnecke
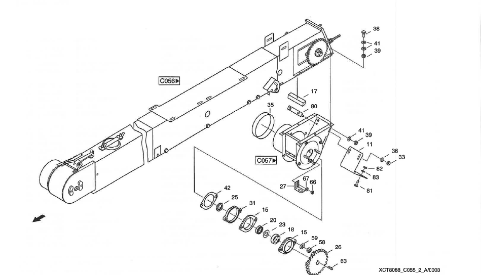
- Ährenelevator
- Ährenelevator 2
- Auswurfkopf
- Elevatorkette
- Lagerung
- Obere Ährenschnecke
- Obere Ährenschnecke 2
- Lager
- Kornelevator
- Kornelevator VM
- Antrieb 2
- Elevatorkette 117GL
- Tankfüllschnecke
- Tankfüllschnecke VM
- Kegelradantrieb
- Deckel
- Korntankoberteil
- Seitenwand links
- Seitenwand rechts
- Korntankaufsatz
- Stirnwand
- Deckel 2
- Gebläseschutze
- Kegelradgetriebe
- Abtankschnecke 4575MM/5225MM
- Abtankschnecke
- Knie
- Kegelradgetriebe 2
- Antriebselemente
- Maschinengestell
- Fahrerstand/ Bedienelemente/ Kabine
- Hydraulikanlage
- Elektroanlage
- Reduziergetriebe
- Zusatzausrüstung
- Triebwerk CDC
- Reparatursätze
- Großballenpresse Case 530
- Großballenpresse Case 540
- Großballenpresse Case 550
- Großballenpressen
Produkte filtern
Keine Produkte gefunden.