Thermostat-Wasserfilter
Kategorien
-
Digitaler Katalog
- MDW 514S ab BJ91
- MDW 524 (Variante Weißrussland)
- MDW 524 (bis Baujahr 1993)
- MDW 525
- MDW 527 bis BJ1995
- MDW 527 ab BJ1996
- MDW Farmer 220
- Case 521
- Case 525
- Case 527
- Case CF60
- Case CF70
-
Case CF80
- Schneidwerk / Schacht
- Dreschwerk
- Reinigung/ Körnerförderung
- Antriebselemente
- Maschinengestell
- Fahrerstand/ Bedienelemente/ Kabine
- Hydraulikanlage
- Elektroanlage
- Reduziergetriebe
- Zusatzausrüstung
-
Triebwerk CDC
- Triebwerk
- Motoraggregat VM
- Kühlanlage
- Spannrolle
- Motorantrieb
- Motorantrieb VM
- Antriebswelle
- Abscheidetrommel
- Kanal
- Vorgelege
- Spanneinrichtung
- Motorelektrik-Cummin
- Motor
- Luftfilteranlage
- Abgasanlage
- Ablassschlauch
- Spanneinrichtung 2
- Motorabdeckung
- Wasserpumpensystem
- Getriebedeckel, vorn
- Rohrleitung
- Turboladersystem
- Turbolader kpl.
- Abgasventilsteuerung
- Filter und Kühler-Öl
- Ölpumpenwanne-Heizung
- Zylinderkopf-Abdeckung
- Zylinderkopf-Schwinghebel
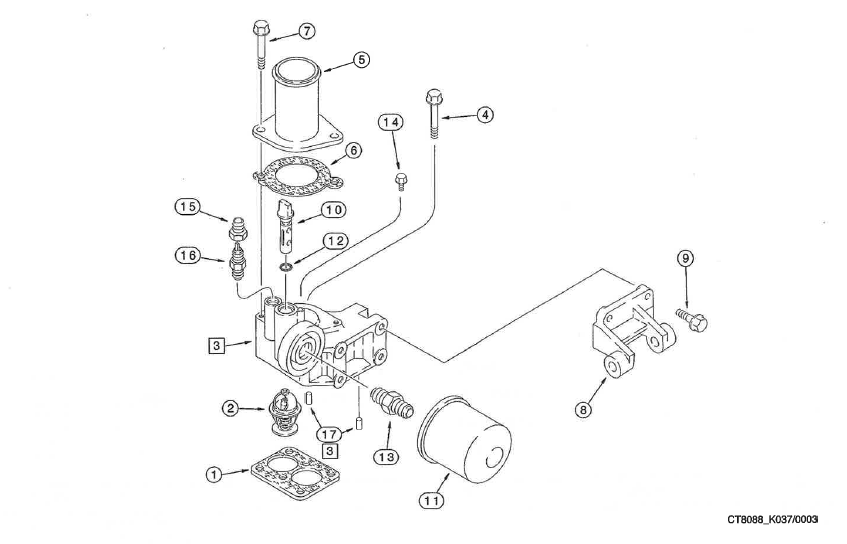
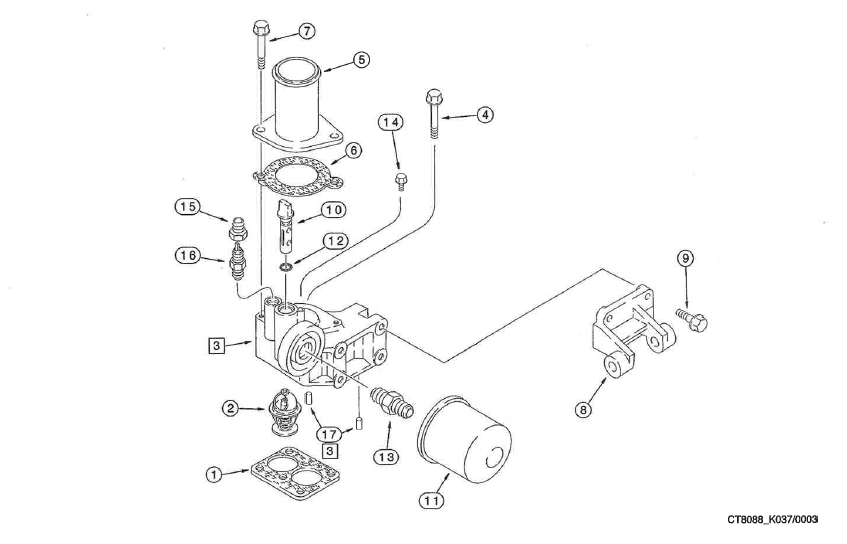
- Thermostat-Wasserfilter
- Nockenwelle
- Zylinderblock
- Motorölsystem
- Kurbelwelle
- Schwungrad und Gegenplatte
- Kolben-Pleuelstangen
- Dichtsatz
- Dichtsatz 2
- Kraftstofffilter-Transferpumpe
- Reparatursätze
- Großballenpresse Case 530
- Großballenpresse Case 540
- Großballenpresse Case 550
- Großballenpressen
Produkte filtern
Keine Produkte gefunden.