Stirnradschaltgetr. I - Hyfa
Kategorien
-
Digitaler Katalog
- MDW 514S ab BJ91
- MDW 524 (Variante Weißrussland)
- MDW 524 (bis Baujahr 1993)
-
MDW 525
- Schneidwerk / Schacht
- Dreschwerk
- Reinigung / Körnerförderung
- Antriebselemente
- Maschinengestell
- Fahrerstand / Bedienelemente / Kabine
- Hydraulikanlage
- Elektroanlage
-
Getriebe
- Stirnradgetriebe
- Stirnradschaltergetr. I - Antriebswelle - Kupplung
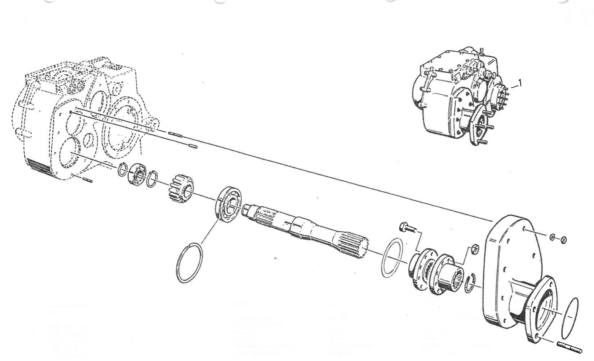
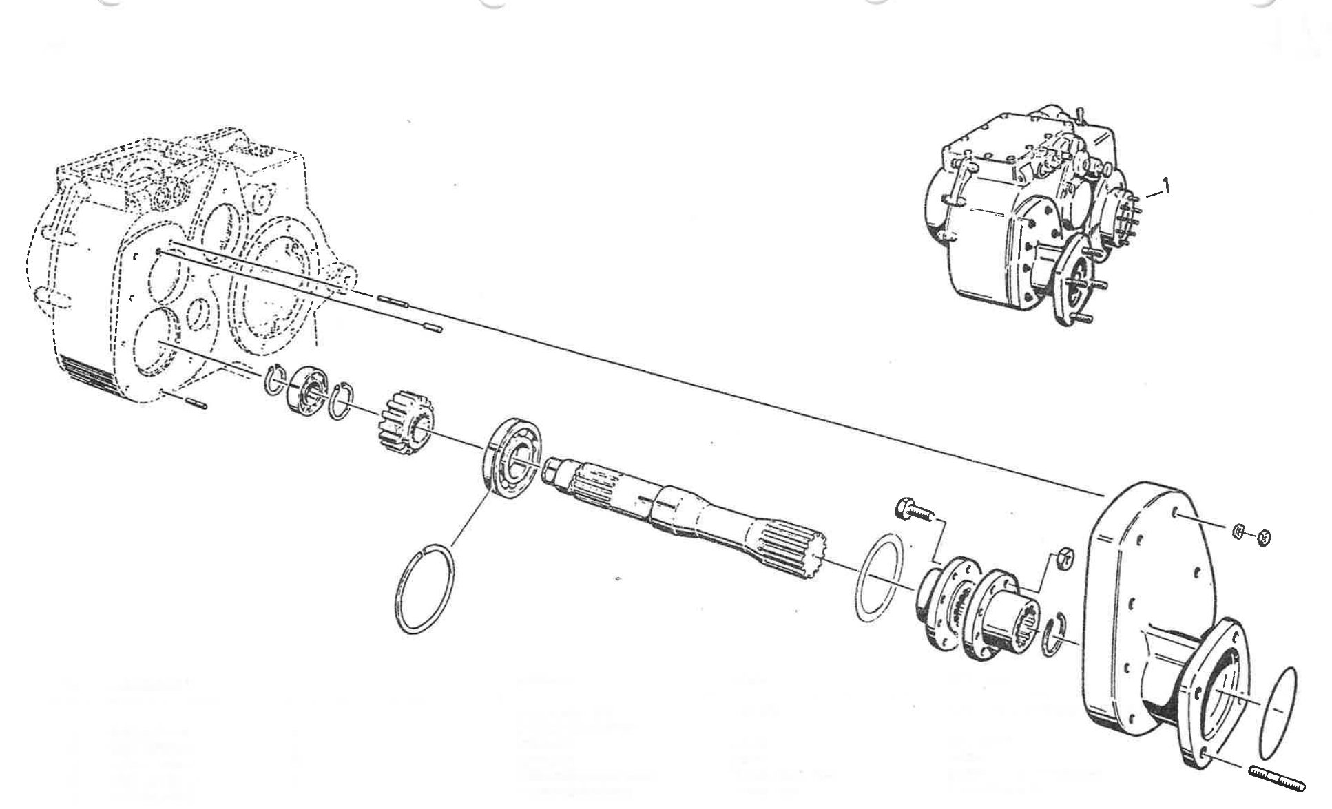
- Stirnradschaltgetr. I - Hyfa
- Stirnradschaltgetr. II - Antriebwelle - Kupplung
- Hyfaadapter - S
- Stirnradschaltgetr. IV - Antriebswellen - Ausgleichgetriebe
- Schwimmsattelbremse
- Bremsanlage - S
- Kegelradgetriebe - Tankfüllschnecke
- Kegelradgetriebe - Steigschnecke unten
- Kegelradgetriebe - Steigschnecke oben
- Dreschtrommelgetriebe
- Zusatzausrüstungen
- Triebwerk Volvo
- Triebwerk Perkins
- MDW 527 bis BJ1995
- MDW 527 ab BJ1996
- MDW Farmer 220
- Case 521
- Case 525
- Case 527
- Case CF60
- Case CF70
- Case CF80
- Großballenpresse Case 530
- Großballenpresse Case 540
- Großballenpresse Case 550
- Großballenpressen
Produkte filtern
Keine Produkte gefunden.