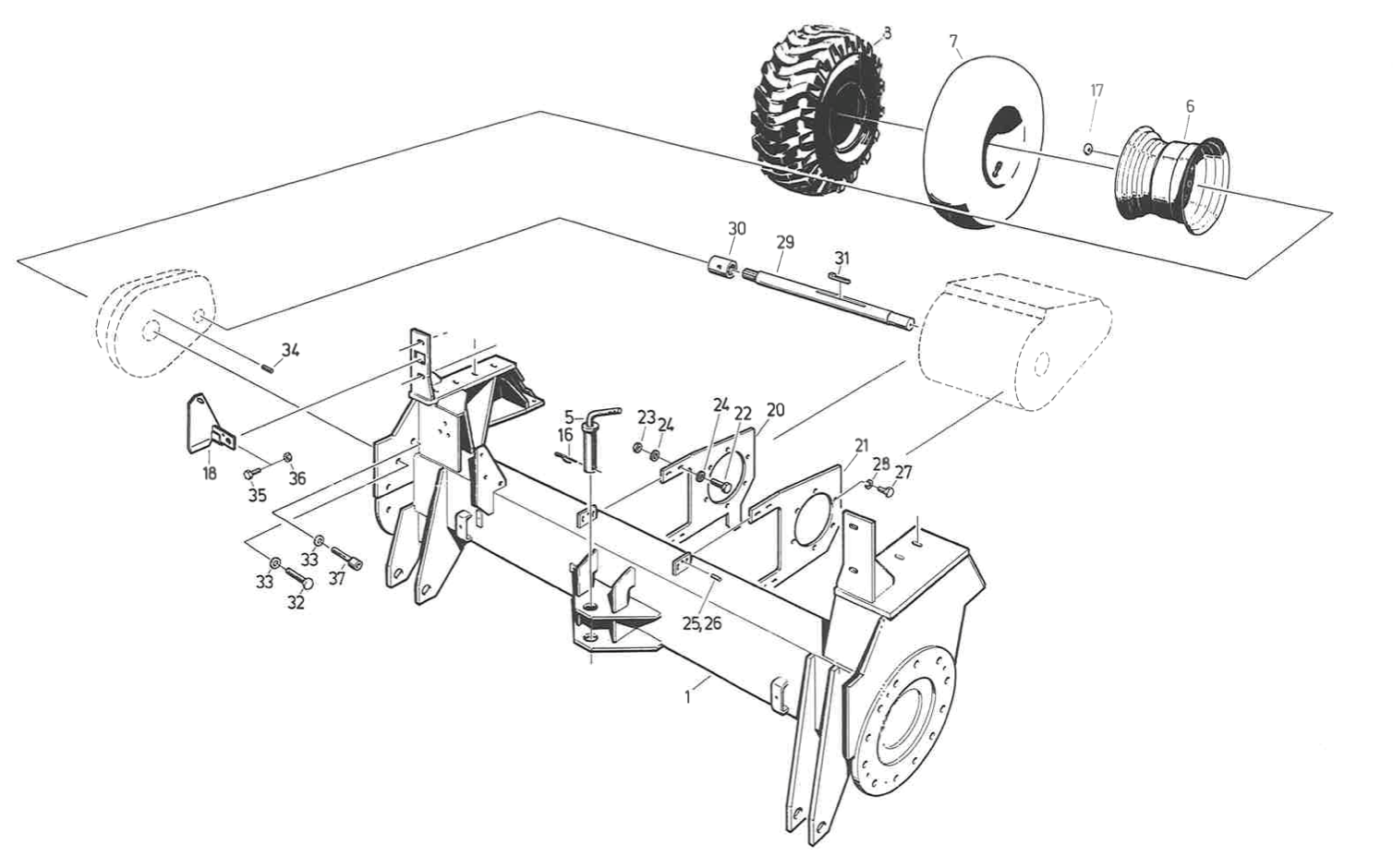
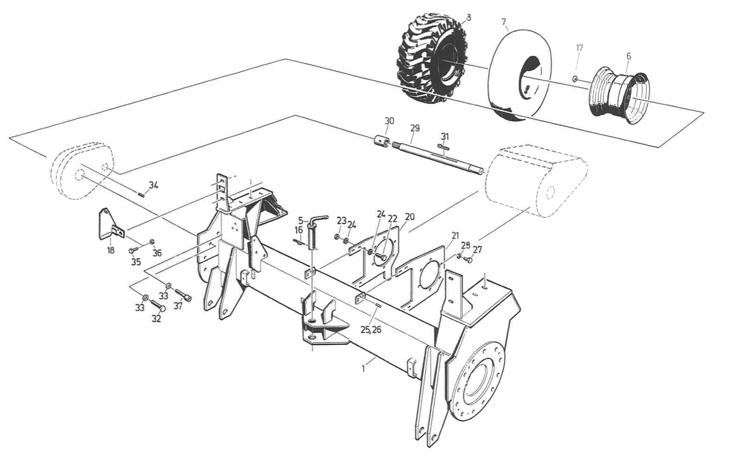
Triebachse, Hyfa - S
Kategorien
-
Digitaler Katalog
- MDW 514S ab BJ91
- MDW 524 (Variante Weißrussland)
- MDW 524 (bis Baujahr 1993)
- MDW 525
- MDW 527 bis BJ1995
- MDW 527 ab BJ1996
- MDW Farmer 220
- Case 521
- Case 525
- Case 527
- Case CF60
- Case CF70
- Case CF80
- Großballenpresse Case 530
- Großballenpresse Case 540
- Großballenpresse Case 550
- Großballenpressen
Produkte filtern
–