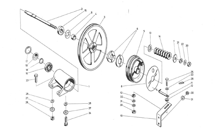
Zeichnungs-Nr.5552-6401:023/04
Zeichnungs-Nr.5550-6400:026/03
Zeichnungs-Nr.5550-6400:028/04
DIN625-6308-RS siehe 9902890923
DIN126-6,6-A3C
DIN125-B37-ST-A3C
DIN934-M20-8-A3C
DIN933-M12x25-8.8-A3C
8.8
DIN462-22-A3C
DIN471-35x1,5
DIN472-72x2,5
Zeichnungs-Nr.5550-6401:008/03Überlastsicherung