Trog, Fingerbalken, Messer für Planetengetriebe
Kategorien
-
Digitaler Katalog
-
MDW 514S ab BJ91
-
Schneidwerk/Schacht
- Trog, Fingerbalken, Messer für Taumelantrieb
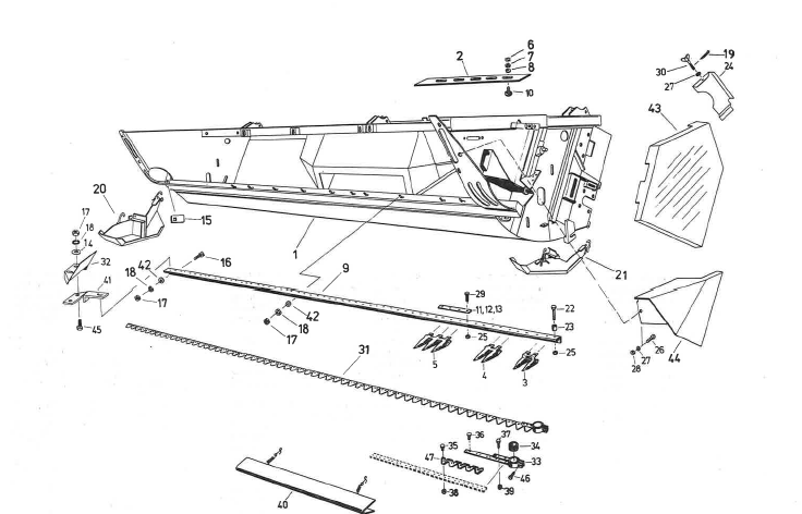
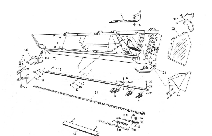
- Trog, Fingerbalken, Messer für Planetengetriebe
- Messerantrieb - Taumelantrieb
- Messerantrieb - Planetengetriebe
- Steinschutz
- Förderschnecke - Taumelantrieb
- Förderschnecke - Planetengetriebe
- Haspel - 5 armig
- Haspel - 6 armig
- Haspelträger für Haspel - 5 armig
- Haspelträger für Haspel - 6 armig
- Haspelvariator mit mechanischer Verstellung
- Haspelvariator mit elektrischer Verstellung
- Haspelhydraulik, horizontal für 5 armige Haspel
- Haspelhydraulik, horizontal für 6 armige Haspel
- Haspelhydraulik, vertikal
- Schacht, Gehäuse
- Schacht, Antrieb
- Aufnehmertrommel
- Hauptwelle, Aufnehmertrommel
- Zinkentuchaufnehmer
- Tuchwalzen, Zinkentuchaufnehmer
- Antrieb für Aufnehmertrommel, Zinkentuchaufnehmer
- Halmteilvorrichtung
- Teilerspitze, links, Teilerspitze, rechts
- Schneidwerkwagen
- Varianten zum Schneidwerkwagen
- Dreschwerk
- Reinigung/Körnerförderung
- Antriebselemente
- Maschinengestell
- Fahrerstand / Bedienelemente
- Hydraulikanlage
- Elektroanlage
- Getriebe
- Triebwerk Nordhausen
- Triebwerk Perkins
- Triebwerk Deutz
- Zusatzausrüstungen
-
Schneidwerk/Schacht
- MDW 524 (Variante Weißrussland)
- MDW 524 (bis Baujahr 1993)
- MDW 525
- MDW 527 bis BJ1995
- MDW 527 ab BJ1996
- MDW Farmer 220
- Case 521
- Case 525
- Case 527
- Case CF60
- Case CF70
- Case CF80
- Großballenpresse Case 530
- Großballenpresse Case 540
- Großballenpresse Case 550
- Großballenpressen
-
MDW 514S ab BJ91
Produkte filtern
Keine Produkte gefunden.