Zum Hauptinhalt springen Zur Suche springen Zur Hauptnavigation springen
Landmaschinen Ersatzteile
+49 (0) 3596 / 508 2400 Mo-Fr, 09:00 - 17:00 Uhr
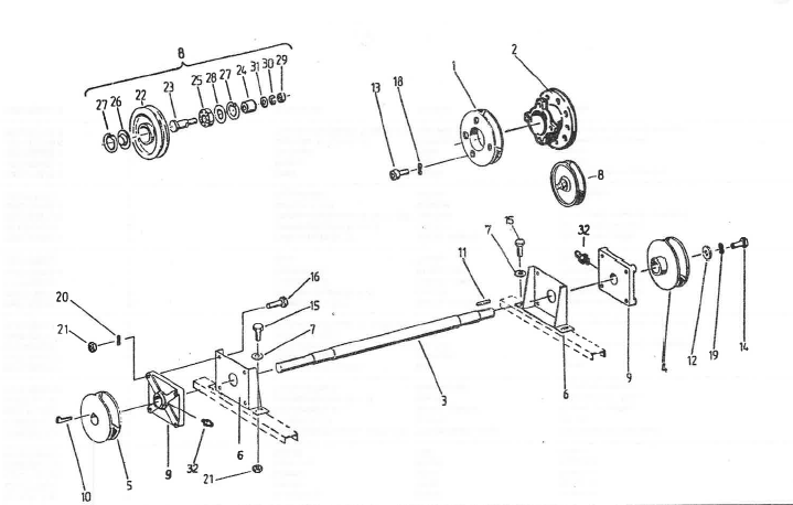
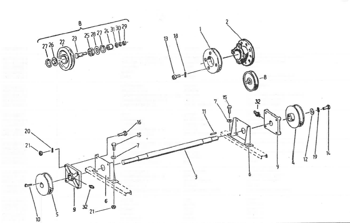
525_1997_239_Abscheidetrommelantrieb

Abscheidetrommelantrieb

525_1997_239_Abscheidetrommelantrieb