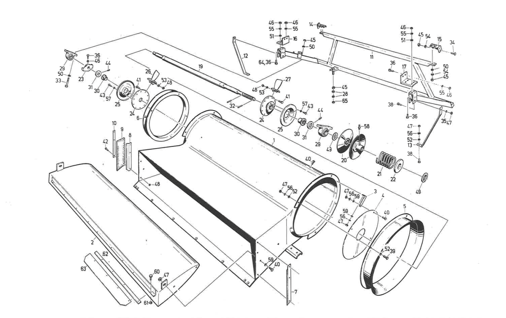
Zeichnungs-Nr.5550-5900:018/04 BZ
DIN137-B12-FST-A3C
DIN125-A8,4 ST-A3C
MDW-N14510-42x55x4
DIN9021-A8,4-ST-A3C
DIN9021-A6,4-ST-A3C
DIN934-M10-8-A3C
DIN934-M12-8-A3C
DIN 982-M6-8-A3C
DIN934-M8-8-A3C
DIN933-M10x25-8.8-A3C
DIN933-M10x35- 8.8- A3C