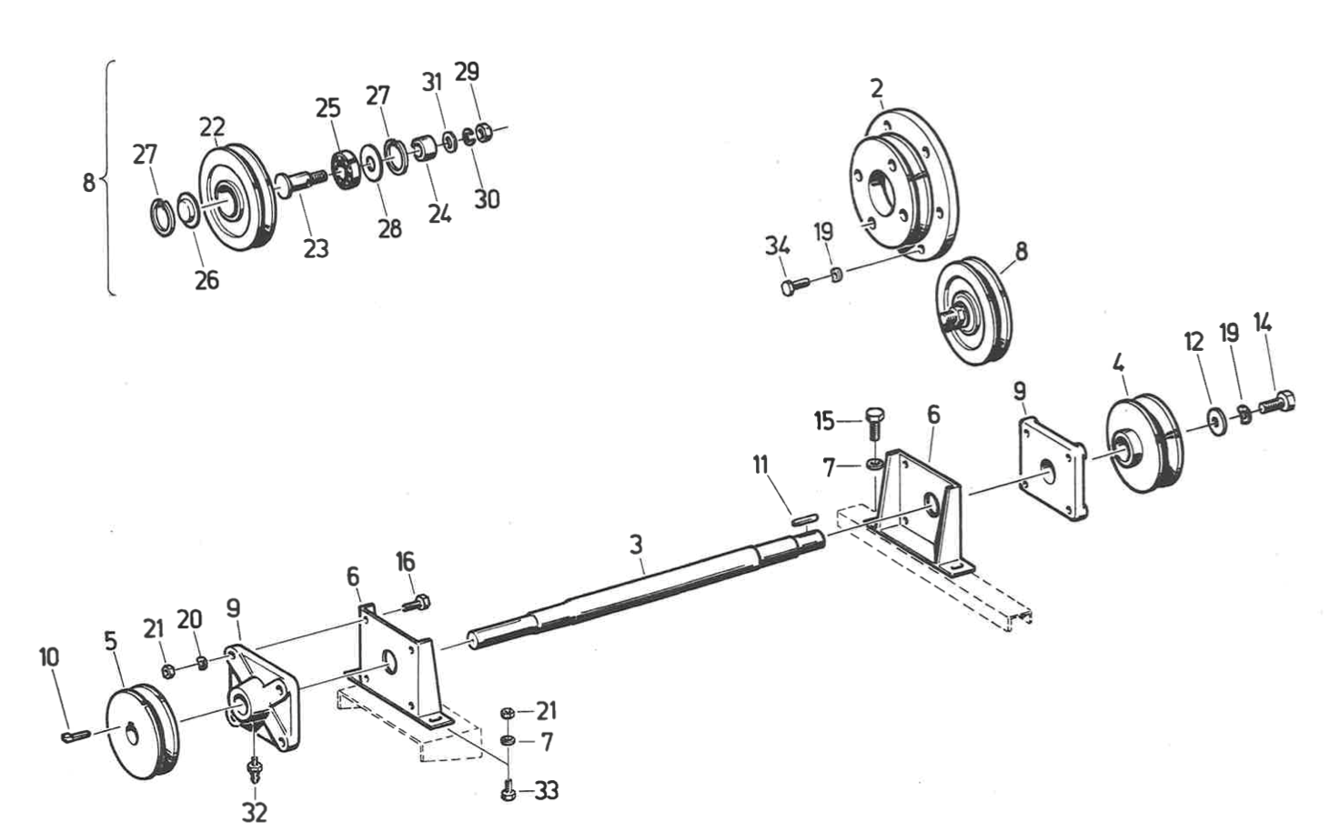
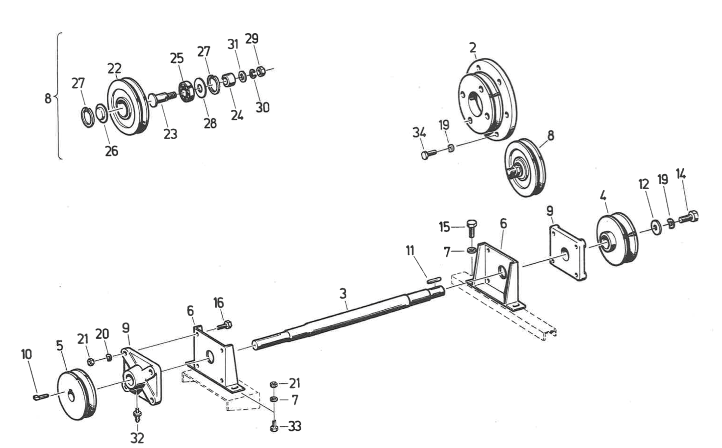
TGL33857-(65)- ERS.D.061108341
25,5x46
DIN127-B12-FST-A§C
DIN137-B8-FST-A3C
= UCF205
DIN71412-AM8X1
DIN6885
MDW-N14510-9x32x4-RST37-2-A3C
DIN934-M10-8-A3C
DIN934-M12-8-A3C
DIN933-M10x25-8.8-A3C
DIN933-M10X30-8.8-A3C
DIN472-47X1,6
Siehe auch 061119272