Kategorien
-
Digitaler Katalog
- MDW 514S ab BJ91
- MDW 524 (Variante Weißrussland)
- MDW 524 (bis Baujahr 1993)
-
MDW 525
- Schneidwerk / Schacht
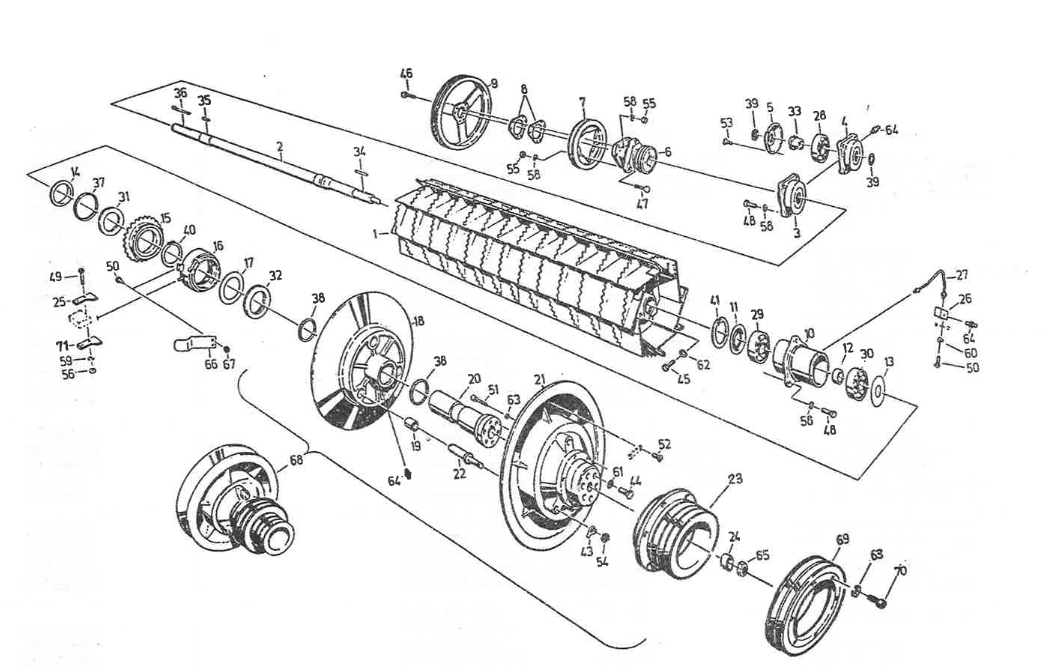
- Dreschwerk
- Reinigung / Körnerförderung
-
Antriebselemente
- Zwischenwelle - Mefa
- Leittrommel - Variator
- Vorgelegewelle
- Antriebselemente, links
- Antriebselemente, rechts
- Schneidwerkkupplung
- Dreschwerkkupplung
- Abtankkupplung
- Dreschtrommelsteuerung
- Gebläsesteuerung
- Spannrollen, links - Mefa
- Spannrollen, links - Hyfa
- Spannrollen, rechts
- Variator, getrieben - Mefa
- Antrieb Klimaanlage Mefa
- Maschinengestell
- Fahrerstand / Bedienelemente / Kabine
- Hydraulikanlage
- Elektroanlage
- Getriebe
- Zusatzausrüstungen
- Triebwerk Volvo
- Triebwerk Perkins
- MDW 527 bis BJ1995
- MDW 527 ab BJ1996
- MDW Farmer 220
- Case 521
- Case 525
- Case 527
- Case CF60
- Case CF70
- Case CF80
- Großballenpresse Case 530
- Großballenpresse Case 540
- Großballenpresse Case 550
- Großballenpressen
Produkte filtern
–