Fußbremse
Kategorien
-
Digitaler Katalog
-
MDW 514S ab BJ91
- Schneidwerk/Schacht
- Dreschwerk
- Reinigung/Körnerförderung
- Antriebselemente
- Maschinengestell
-
Fahrerstand / Bedienelemente
- Fahrerstand E514
- Fahrerstand E514S
- Aufstieg E514
- Aufstieg E514S
- Lenksäule, starr, kippbar bis Masch.-Nr. 20-15228
- Lenksäule, starr, kippbar von Masch.-Nr. 20-15229
- Schaltkasten bis Masch.-Nr. 20-15228
- Schaltkasten von Masch.-Nr. 20-15229
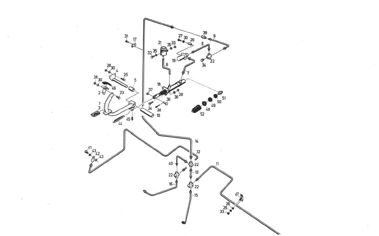
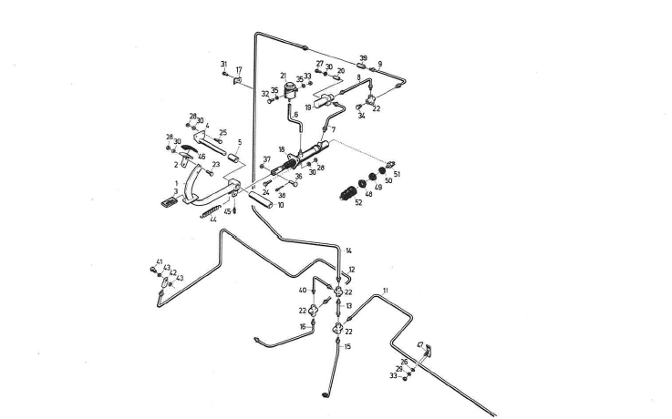
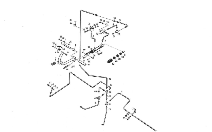
- Fußbremse
- Einzelradbremse
- Handbremshebel
- Kupplungsgestänge
- Betätigung Wegeventilbatterie 16B
- Drehzahlregelung für Haspel
- Variatorsteuerung für Dreschtrommel E514
- Variatorsteuerung für Dreschtrommel E514S
- Drehzahlanzeige für Dreschtrommel und Gebläse
- Gebläse
- Kabine E514
- Kabine E514S
- Kabinendach E514
- Kabinendach E514S
- Kabinenbelüftung E514
- Heizungs- und Belüftungsanlage E514S
- Arbeitsbeleuchtung, Geländer, Sonnenschutz
- Kabinenaufbau E514
- Kabinenaufbau E514S
- Hydraulikanlage
- Elektroanlage
- Getriebe
- Triebwerk Nordhausen
- Triebwerk Perkins
- Triebwerk Deutz
- Zusatzausrüstungen
- MDW 524 (Variante Weißrussland)
- MDW 524 (bis Baujahr 1993)
- MDW 525
- MDW 527 bis BJ1995
- MDW 527 ab BJ1996
- MDW Farmer 220
- Case 521
- Case 525
- Case 527
- Case CF60
- Case CF70
- Case CF80
- Großballenpresse Case 530
- Großballenpresse Case 540
- Großballenpresse Case 550
- Großballenpressen
-
MDW 514S ab BJ91
Produkte filtern
–