Kategorien
-
Digitaler Katalog
- MDW 514S ab BJ91
-
MDW 524 (Variante Weißrussland)
- Schneidwerk /Schacht
- Dreschwerk
- Reinigung / Körnerförderung
- Antriebselemente
- Maschinengestell
- Fahrerstand / Bedienelemente / Kabine
- Hydraulikanlage
- Elektroanlage
-
Getriebe
- Stirnradgetriebe
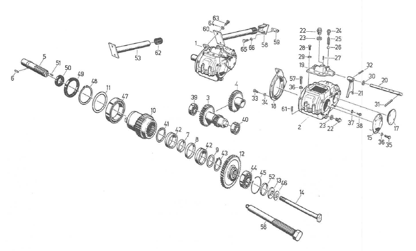
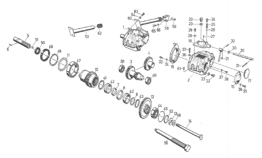
- Stirnradschaltgetr.I -Antriebswelle/Kupplung
- Stirnradschaltgetr.I -Hyfa
- Stirnradschaltgetr.II -Antriebswelle/Kupplung
- Stirnradschaltgetr.III -Schaltwellen
- Stirnradschaltgetr.III -Hyfa
- Stirnradschaltgetr.IV -Antriebswellen/Ausgleichgetriebe
- Schwimmsattelbremse
- Kegelradgetriebe-Tankfüllschnecke
- Kegelradgetriebe-Steigschnecke unten
- Kegelradgetriebe-Steigschnecke oben
- Dreschtrommelgetriebe
- Zusatzausrüstung
- Triebwerk Volvo
- Triebwerk Perkins
- MDW 524 (bis Baujahr 1993)
- MDW 525
- MDW 527 bis BJ1995
- MDW 527 ab BJ1996
- MDW Farmer 220
- Case 521
- Case 525
- Case 527
- Case CF60
- Case CF70
- Case CF80
- Großballenpresse Case 530
- Großballenpresse Case 540
- Großballenpresse Case 550
- Großballenpressen
Produkte filtern
–