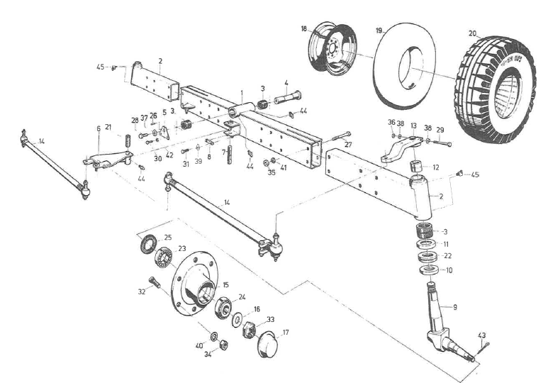
Zeichnungs-Nr.5550-2906:011/04Siehe 061024748
gleich 9926866852
DIN127-B10-FST-A3C
DIN74361-C18,5
DIN71412-AM8X1
TGL27252-12.5-20
gebraucht
TGL22251-AM18x1,5x46 GALZNC
Siehe auch 001312805
DIN74361-B18-8-A3C
mit Felge 4254127428
mit Lappen
DIN432-21-ST
DIN934-M20x1,5-8-A3C
DIN933-M10x25-8.8-A3C