35,3x61x0,3
Zeichnungs-Nr.524-50107-104-055,3 x 89,8 x 0,3
50,5x84,5x0,3
DIN127-B20-FST-A3C
(alte Art.Nr.060169514)
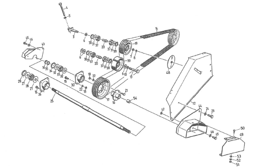
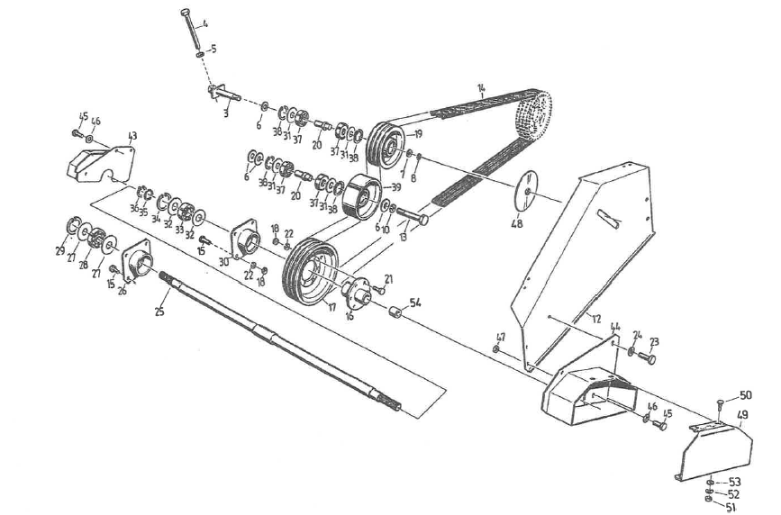
524-50307:203/02
Zeichnungs-Nr.524-50307:210/04
DIN630-1209
DIN630-1210
DIN625-6206-RS
DIN125-A8,4 ST-A3C
MDW-N14510-12,5X45X5-RST37-2-A3C
DIN6916-17-A3C
DIN934-M6-8-A3C
DIN933-M10X30-8.8-A3C
DIN931-M20X100-8.8
DIN471-50x2