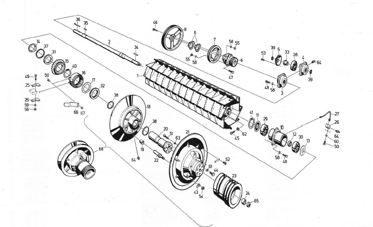
DIN711-51122
DIN711-51120 siehe 9902888053
TGL6558 28x36x32 mm
Zeichnungs-Nr.5550-3200:021/04
45,3X98,5X0,3
99X134X0,45550-3203-035-0
Zeichnungs-Nr.5550-3201:022/04
DIN127-B12-FST-A§C
DIN137-B8-FST-A3C
Zeichnungs-Nr.524-33315:000/03
Zeichnungs-Nr.524-33309:001/02
besteht aus 1x4260690622+1x9902889511+1x9903948852+1x060164977
132,00mm lang,ohne Phase