Kategorien
-
Digitaler Katalog
- MDW 514S ab BJ91
- MDW 524 (Variante Weißrussland)
-
MDW 524 (bis Baujahr 1993)
- Schneidwerk /Schacht
- Dreschwerk
- Reinigung/ Körnerförderung
-
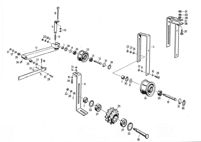
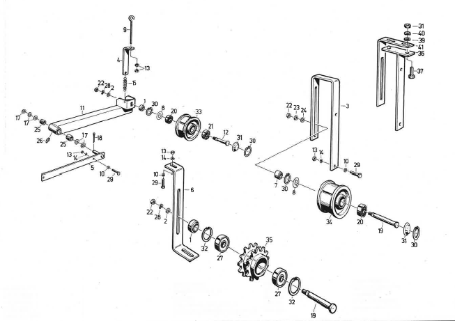
Antriebselemente
- Zwischenwelle
- Leittrommel - Variator
- Vorgelegewelle
- Antriebselemente, links
- Antriebselemente, rechts
- Schneidwerkkupplung bis Masch.-Nr. 80-1010
- Schneidwerkkupplung von Masch.-Nr. 80-1011
- Dreschwerkkupplung
- Abtankkupplung
- Dreschtrommelsteuerung bis Masch.-Nr. 80-1010
- Dreschtrommelsteuerung von Masch.-Nr. 80-1011
- Gebläsesteuerung bis Masch.-Nr. 80-1010
- Gebläsesteuerung von Masch.-Nr. 80-1011
- Spannrollen, links
- Spannrollen, rechts
- Variator, getrieben
- Maschinengestell
- Fahrerstand/ Bedienelemente/ Kabine
- Hydraulikanlage
- Elektroanlage
- Getriebe
- Zusatzausrüstung
- Triebwerk Nordhausen
- MDW 525
- MDW 527 bis BJ1995
- MDW 527 ab BJ1996
- MDW Farmer 220
- Case 521
- Case 525
- Case 527
- Case CF60
- Case CF70
- Case CF80
- Großballenpresse Case 530
- Großballenpresse Case 540
- Großballenpresse Case 550
- Großballenpressen
Produkte filtern
–