Stirnradschaltgetr. I-Antriebswelle/Kupplung
Kategorien
-
Digitaler Katalog
- MDW 514S ab BJ91
- MDW 524 (Variante Weißrussland)
-
MDW 524 (bis Baujahr 1993)
- Schneidwerk /Schacht
- Dreschwerk
- Reinigung/ Körnerförderung
- Antriebselemente
- Maschinengestell
- Fahrerstand/ Bedienelemente/ Kabine
- Hydraulikanlage
- Elektroanlage
-
Getriebe
- Stirnradgetriebe
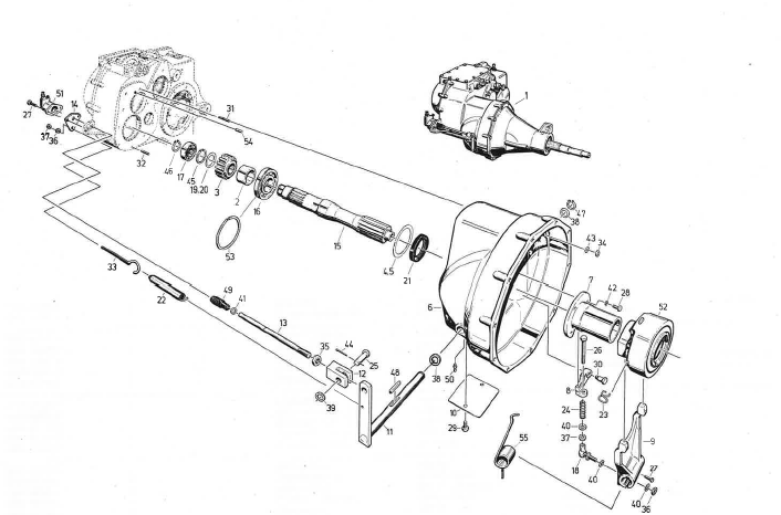
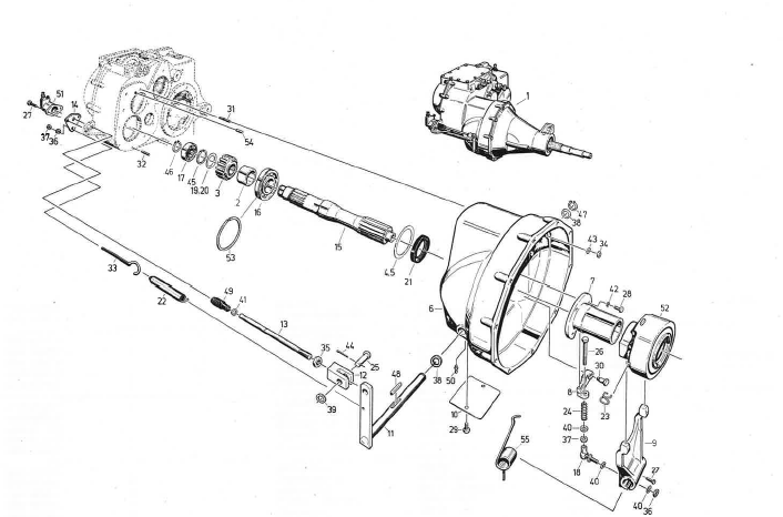
- Stirnradschaltgetr. I-Antriebswelle/Kupplung
- Stirnradschaltgetr. II-Antriebswelle/Kupplung
- Stirnradschaltgetr. III-Schaltwellen
- Stirnradschaltgetr. IV-Antriebswellen/Ausgleichgetriebe bis Masch.-Nr. 80-1010
- Stirnradschaltgetr. IV-Antriebswelle/Ausgleichgetriebe von Masch.-Nr. 80-1011
- Schwimmsattelbremse
- Kegelradgetriebe-Tankfüllschnecke
- Kegelradgetriebe-Steigschnecke unten
- Kegelradgetriebe-Steigschnecke oben
- Dreschtrommelgetriebe
- Zusatzausrüstung
- Triebwerk Nordhausen
- MDW 525
- MDW 527 bis BJ1995
- MDW 527 ab BJ1996
- MDW Farmer 220
- Case 521
- Case 525
- Case 527
- Case CF60
- Case CF70
- Case CF80
- Großballenpresse Case 530
- Großballenpresse Case 540
- Großballenpresse Case 550
- Großballenpressen
Produkte filtern
–