Ölbehälter, 25l von Masch.-Nr. 80-1011
Kategorien
-
Digitaler Katalog
- MDW 514S ab BJ91
- MDW 524 (Variante Weißrussland)
-
MDW 524 (bis Baujahr 1993)
- Schneidwerk /Schacht
- Dreschwerk
- Reinigung/ Körnerförderung
- Antriebselemente
- Maschinengestell
- Fahrerstand/ Bedienelemente/ Kabine
-
Hydraulikanlage
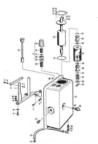
- Ölbehälter, 25l bis Masch.-Nr. 80-1010
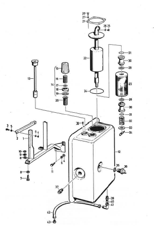
- Ölbehälter, 25l von Masch.-Nr. 80-1011
- Plattform, Hubvorrichtung bis Masch.-Nr. 80-1010
- Plattform, Hubvorrichtung von Masch.-Nr. 80-1011
- Wegeventil 523-10 bis Masch.-Nr. 80-1010
- Wegeventil 524-160 von Masch.-Nr. 80-1011
- Wegeventil 524-22 bis Masch.-Nr. 80-1010
- Verrohrung, Triebwerk bis Masch.-Nr. 80-1010
- Verrohrung, Triebwerk von Masch.-Nr. 80-1011
- Verrohrung, rechte Seite bis Masch.-Nr. 80-1010
- Verrohrung, rechte Seite von Masch.-Nr. 80-1011
- Verrohrung, Abtankrohr bis Masch.-Nr. 80-1010
- Verrohrung Abtankrohr von Masch.-Nr. 80-1011
- Multifunktionsgriff
- Ventile-Eingangsplatte bis Masch.-Nr. 80-1010
- Wegeventile bis Masch.-Nr. 80-1010
- Hubzylinder bis Masch.-Nr. 80-1010
- Zahnradpumpen bis Masch.-Nr. 80-1010
- Elektroanlage
- Getriebe
- Zusatzausrüstung
- Triebwerk Nordhausen
- MDW 525
- MDW 527 bis BJ1995
- MDW 527 ab BJ1996
- MDW Farmer 220
- Case 521
- Case 525
- Case 527
- Case CF60
- Case CF70
- Case CF80
- Großballenpresse Case 530
- Großballenpresse Case 540
- Großballenpresse Case 550
- Großballenpressen
Produkte filtern
–