Haspelvariator - elektrisch
Kategorien
-
Digitaler Katalog
- MDW 514S ab BJ91
- MDW 524 (Variante Weißrussland)
-
MDW 524 (bis Baujahr 1993)
-
Schneidwerk /Schacht
- Trog, Fingerbalken, Mähmesser
- Trog, Fingerbalken, Mähmesser; Planetengetriebe
- Antrieb
- Messerantrieb
- Messerantrieb - Planetengetriebe
- Förderschnecke bis Masch.-Nr. 80-0852
- Förderschnecke von Masch.-Nr. 80-0853
- Haspelvariator - hydraulisch
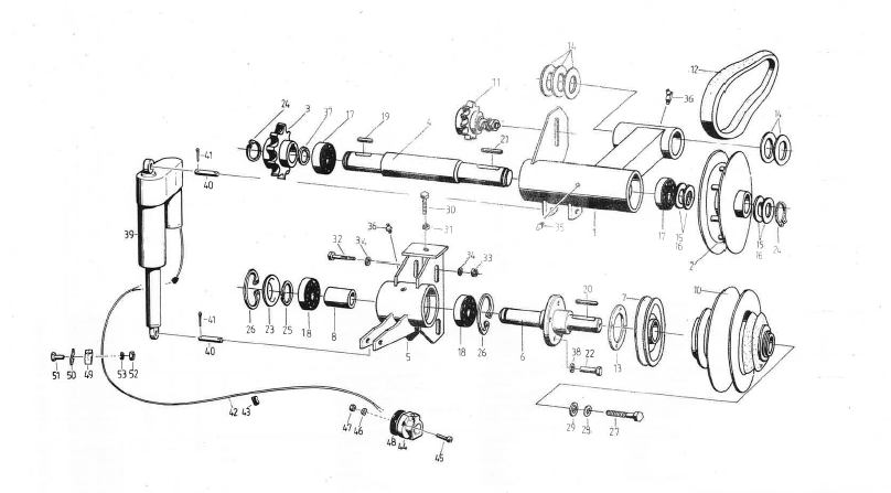
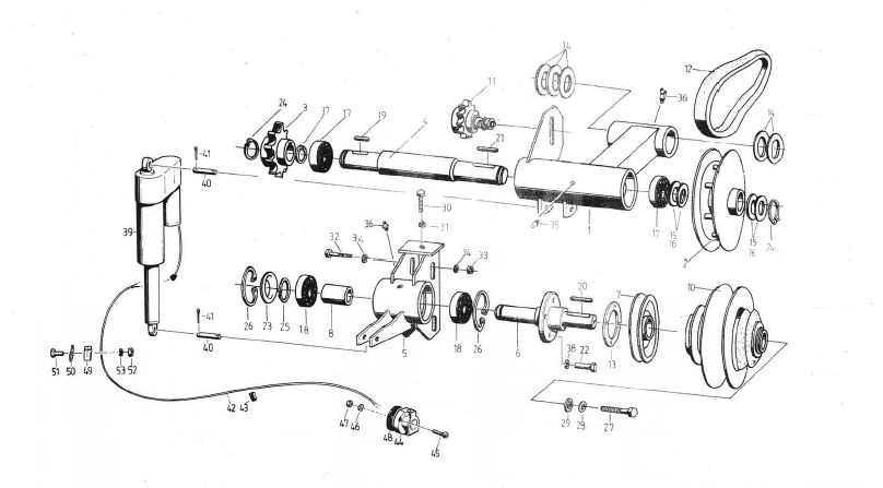
- Haspelvariator - elektrisch
- Haspel - 5 armig
- Haspel - 6 armig
- Haspelträger für 5 armige Haspel
- Haspelträger für 6 armige Haspel
- Verkleidung
- Verkleidung - Planetengetriebe
- Halmteiler bis Masch.-Nr. 80-0852
- Halmteiler von Masch.-Nr. 80-0853
- Schachtgehäuse bis Masch.-Nr. 80-1010
- Schachtgehäuse von Masch.-Nr. 80-1011
- Massenausgleich bis Masch.-Nr. 80-1010
- Massenausgleich von Masch.-Nr. 80-1011
- Antrieb, Schacht bis Masch.-Nr. 80-1010
- Antrieb, Schacht von Masch.-Nr. 80-1011
- Abtrieb bis Masch.-Nr. 80-1010
- Abtrieb von Masch.-Nr. 80-1011
- Schneidwerkrücklauf bis Masch.-Nr. 80-1010
- Schneidwerkrücklauf von Masch.-Nr. 80-1011
- Transportwagen
- Haspelhydraulik für 5 armige Haspel
- Haspelhydraulik für 6 armige Haspel
- Dreschwerk
- Reinigung/ Körnerförderung
- Antriebselemente
- Maschinengestell
- Fahrerstand/ Bedienelemente/ Kabine
- Hydraulikanlage
- Elektroanlage
- Getriebe
- Zusatzausrüstung
- Triebwerk Nordhausen
-
Schneidwerk /Schacht
- MDW 525
- MDW 527 bis BJ1995
- MDW 527 ab BJ1996
- MDW Farmer 220
- Case 521
- Case 525
- Case 527
- Case CF60
- Case CF70
- Case CF80
- Großballenpresse Case 530
- Großballenpresse Case 540
- Großballenpresse Case 550
- Großballenpressen
Produkte filtern
Keine Produkte gefunden.