Zum Hauptinhalt springen
Zur Suche springen
Zur Hauptnavigation springen
Um unseren Shop in vollem Umfang nutzen zu können, empfehlen wir Ihnen Javascript in Ihrem Browser zu aktivieren.
Landmaschinen Ersatzteile
+49 (0) 3596 / 508 2400
Mo-Fr, 09:00 - 17:00 Uhr
Home
Digitaler Katalog
Zur Kategorie Digitaler Katalog
MDW 514S ab BJ91
MDW 524 (Variante Weißrussland)
MDW 524 (bis Baujahr 1993)
MDW 525
MDW 527 bis BJ1995
MDW 527 ab BJ1996
MDW Farmer 220
Case 521
Case 525
Case 527
Case CF60
Case CF70
Case CF80
Großballenpresse Case 530
Großballenpresse Case 540
Großballenpresse Case 550
Großballenpressen
Menü schließen
Ihr Konto
Anmelden
oder
registrieren
Übersicht
Persönliches Profil
Adressen
Bestellungen
Warenkorb enthält 0 Positionen. Der Gesamtwert beträgt 0,00 €.
Menü schließen
Digitaler Katalog
Case 527
Reinigung/Körnerförderung
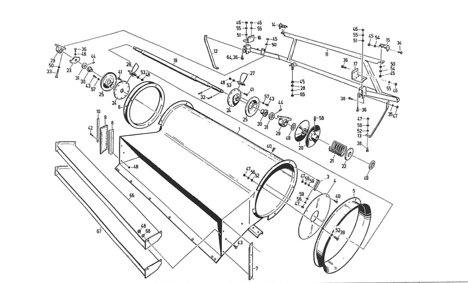
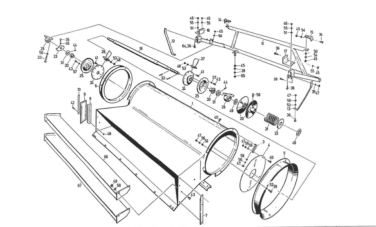
Reinigungsgebläse
Reinigungsgebläse
Kategorien
Digitaler Katalog
MDW 514S ab BJ91
MDW 524 (Variante Weißrussland)
MDW 524 (bis Baujahr 1993)
MDW 525
MDW 527 bis BJ1995
MDW 527 ab BJ1996
MDW Farmer 220
Case 521
Case 525
Case 527
Schneidwerk/Schacht
Dreschwerk
Reinigung/Körnerförderung
Reinigung
Reinigungssiebe
Stufenboden
Reinigungsantrieb
Reinigungsgebläse
Verteilschnecke, Hang
Körner- und Ährenschnecke
Ährenelevator
Obere Ährenschnecke
Körnerelevator
Korntank
Tankfüllschnecke
Korntankabdeckung, Korntankoberteil
Steigschnecke
Abtankschnecke
Entnahmevorrichtung
Antriebselemente
Maschinengestell
Fahrerstand/Bedienelemente/Kabine
Hydraulikanlage
Elektroanlage
Getriebe
Zusatzausrüstungen
Triebwerk Mercedes
Triebwerk Volvo
Case CF60
Case CF70
Case CF80
Großballenpresse Case 530
Großballenpresse Case 540
Großballenpresse Case 550
Großballenpressen
Produkte filtern
Produkte filtern
Keine Produkte gefunden.
Diese Website verwendet Cookies, um eine bestmögliche Erfahrung bieten zu können.
Mehr Informationen ...
Nur technisch notwendige
Konfigurieren
Zurück