Aufstieg
Kategorien
-
Digitaler Katalog
- MDW 514S ab BJ91
- MDW 524 (Variante Weißrussland)
-
MDW 524 (bis Baujahr 1993)
- Schneidwerk /Schacht
- Dreschwerk
- Reinigung/ Körnerförderung
- Antriebselemente
- Maschinengestell
-
Fahrerstand/ Bedienelemente/ Kabine
- Fahrerstandsaufbau, Fahrersitz, Stelleinheit
- Kabinenaufbau bis Masch.-Nr. 80-1010
- Kabinenaufbau von Masch.-Nr. 80-1011
- Lenksäule, kippbar
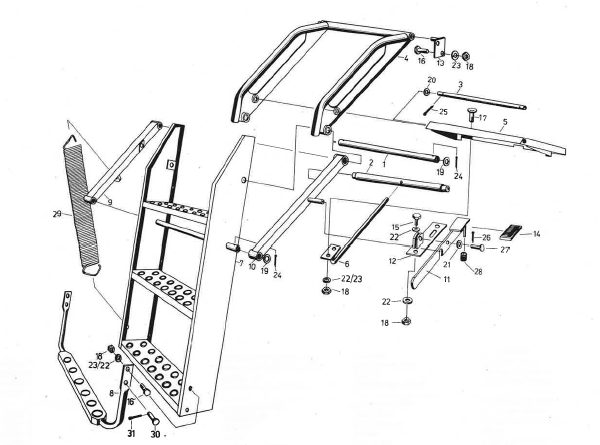
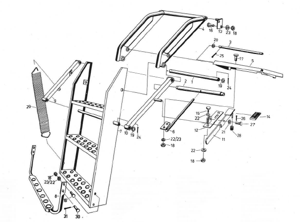
- Aufstieg
- Schnitthöhenanzeige
- Handbremse
- Fußbremse bis Masch.-Nr. 80-1010
- Fußbremse von Masch.-Nr. 80-1011
- Fußbremse (Einzelradbremse)
- Bedienpult bis Masch.-Nr. 80-1010
- Bedienpult von Masch.-Nr. 80-1011
- Fahrkupplung bis Masch.-Nr. 80-1010
- Fahrkupplung von Masch.-Nr. 80-1011
- Kabine bis Masch.-Nr. 80-0852
- Kabine von Masch.-Nr. 80-0853
- Kabinendach bis Masch.-Nr. 80-0852
- Kabinendach von Masch.-Nr. 80-0853
- Kabinenheizung bis Masch.-Nr. 80-0852
- Heizungs- und Belüftungsanlage bis Masch.-Nr. 80-1010
- Heizungs- und Belüftungsanlage von Masch.-Nr. 80-1010
- Scheibenwaschanlage
- Schaltung, Schaltgestänge
- Hydraulikanlage
- Elektroanlage
- Getriebe
- Zusatzausrüstung
- Triebwerk Nordhausen
- MDW 525
- MDW 527 bis BJ1995
- MDW 527 ab BJ1996
- MDW Farmer 220
- Case 521
- Case 525
- Case 527
- Case CF60
- Case CF70
- Case CF80
- Großballenpresse Case 530
- Großballenpresse Case 540
- Großballenpresse Case 550
- Großballenpressen
Produkte filtern
–