DIN137-B12-FST-A3C
DIN137-B8-FST-A3C
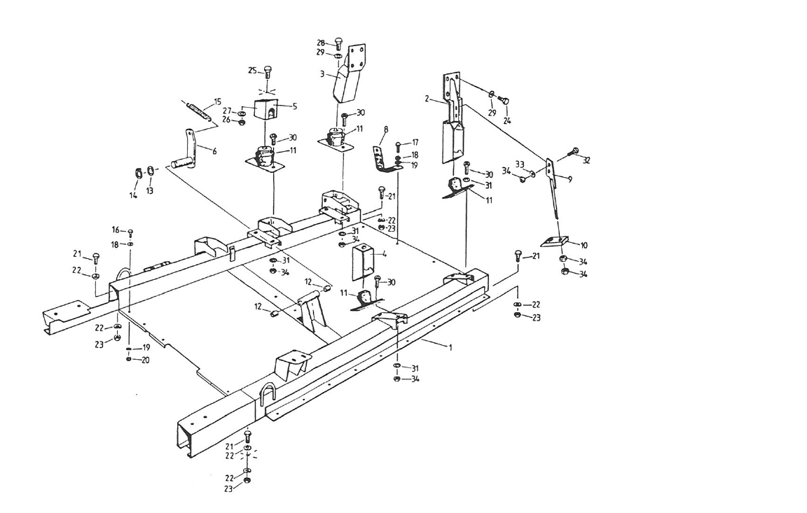
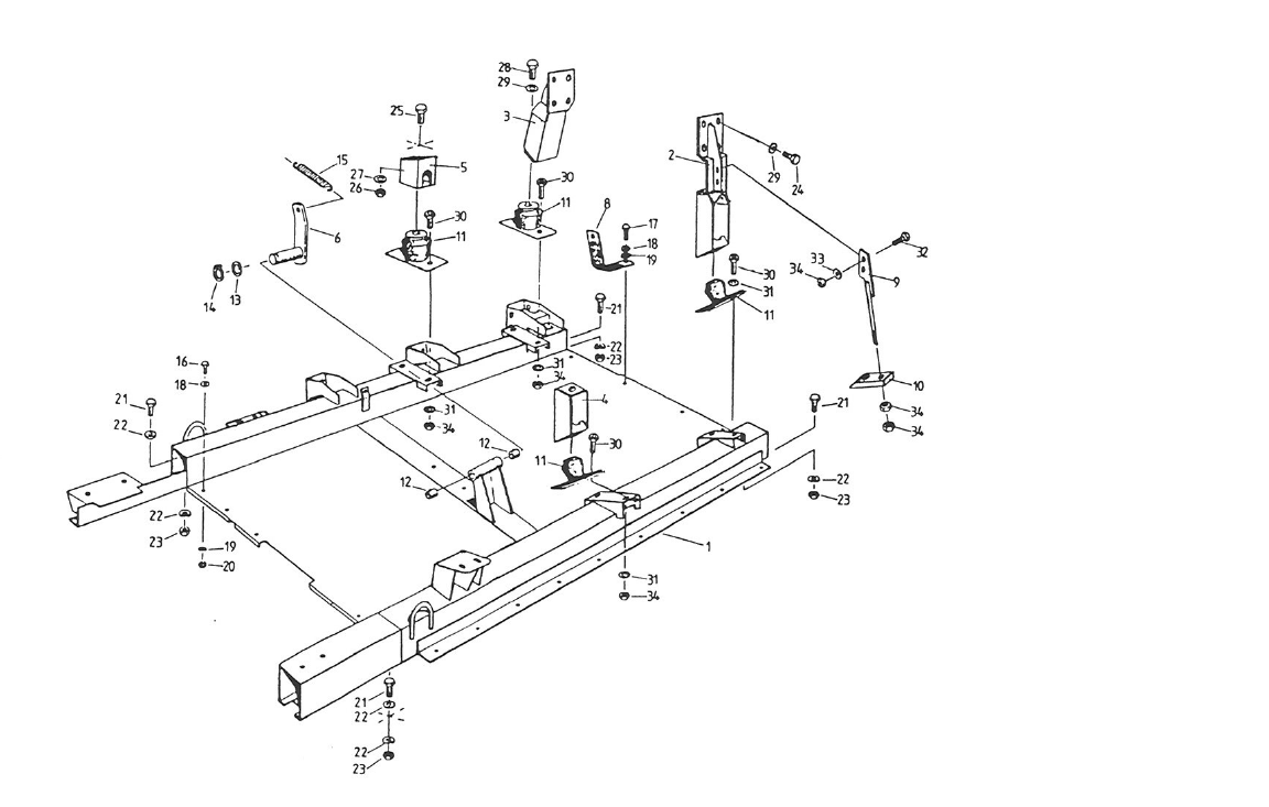
Zeichnungs-Nr.527-50201:070/03
Zeichnungs-Nr.527-50201:060/03
Zeichnungs-Nr.527-50201:051/03
DIN988-17X24X1,5
DIN9021-A8,4-ST-A3C
DIN934-M12-8-A3C
DIN934-M20x1,5-8-A3C
DIN934-M8-8-A3C
DIN933-M12x30-8.8-A3C
DIN961-M16X1,5X30-8.8-A3C
DIN961-M20X1,5X40-8.8-A3C
DIN933-M 8x16- 8.8- A3C
VSF-M16-DACROMET
VSF-Z12-Dacromet
B2,8X25X40AA524-77801:247/04 BZ