Zeichnungs-Nr.5550-5301:034/04
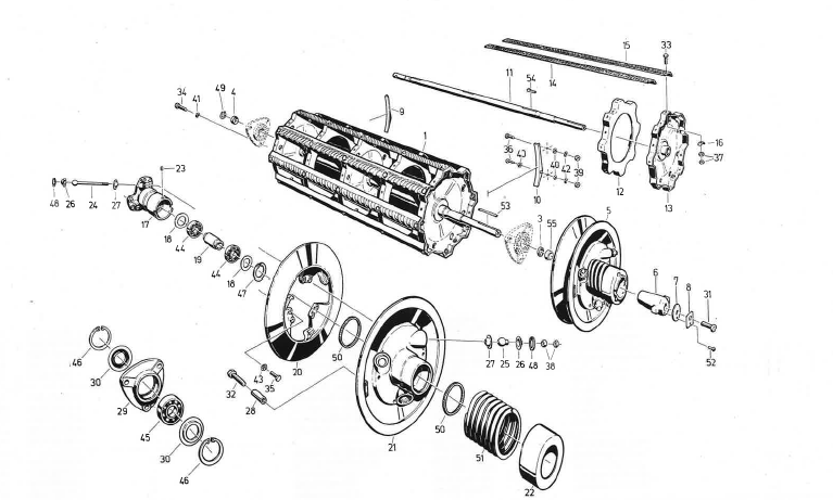
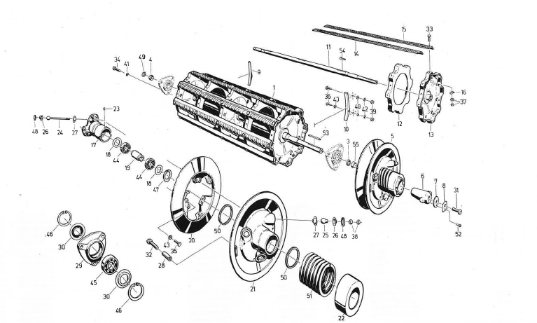
Variator
Zeichnungs-Nr.5550-5304:013/04
Zeichnungs-Nr.5550-3200:021/04
50,5x79,5x0,3Zeichnungs-Nr.5550-4207:009/04
524-33000:017/043 mm
6 mm
5550-3201:024/04
(ohne Welle)
E 525
C12X160X7,5 Dreschtrommel1x Gebraucht
Zeichnungs-Nr.524-33004:028/03
DIN137-B8-FST-A3C
6x15 DIN 1476
DIN6885-A12X8X100