Verstellregler B
Kategorien
-
Digitaler Katalog
- MDW 514S ab BJ91
- MDW 524 (Variante Weißrussland)
-
MDW 524 (bis Baujahr 1993)
- Schneidwerk /Schacht
- Dreschwerk
- Reinigung/ Körnerförderung
- Antriebselemente
- Maschinengestell
- Fahrerstand/ Bedienelemente/ Kabine
- Hydraulikanlage
- Elektroanlage
- Getriebe
- Zusatzausrüstung
-
Triebwerk Nordhausen
- Triebwerk
- Motorabdeckung
- Motorträger
- Motorabtrieb
- Luftfilteranlage
- Abgasanlage
- Kühlanlage/Abscheidetrommel bis Masch.-Nr. 80-1010
- Kühlanlage/Abscheidetrommel von Masch.-Nr. 80-1011
- Abscheidetrommelantrieb
- Kurbelgehäuse
- Steuergehäuse
- Schwungradgehäuse
- Ölwanne
- Drehzahlmesserantrieb
- Kurbelgehäuseentlüftung
- Kurbelwelle
- Kolben und Pleulstange
- Zylinderlaufbuchse
- Zylinderkopf
- Zylinderkopfhaube
- Nockenwelle
- Kipphebelbock
- Kühlung
- Kühlmittelpumpe
- Schmierung-Ölpumpe
- Öleinfüllung
- Ölleitung
- Ölfilterkombination
- Ölfilterkombination Filtergehäuse
- Ölfilterkombination Zentrifuge
- Kraftstoffsystem Einspritzanlage
- Kraftstoffsystem Kraftstofffilter und Leitungen bis Mot.-Nr. 0048/92
- Kraftstoffsystem Kraftstofffilter und Leitungen von Mot.-Nr. 0049/92
- Kraftstofffilter und Einspritzventil
- Einspritzpumpe
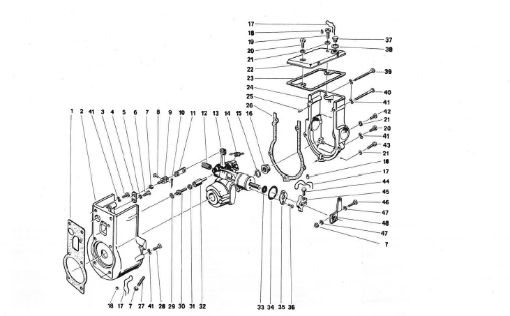
- Verstellregler B
- Kraftstoffförderpumpe
- Elektrische Anlage Drehstromlichtmaschine Anbau
- Drehstromlichtmaschine
- Anlasser Anbau und Kabelbaum
- Anlasser
- Ansauganlage mit Kaltstartgerät
- Abgasanlage 1
- Hydraulikpumpenflansch
- Werkzeuge
- MDW 525
- MDW 527 bis BJ1995
- MDW 527 ab BJ1996
- MDW Farmer 220
- Case 521
- Case 525
- Case 527
- Case CF60
- Case CF70
- Case CF80
- Großballenpresse Case 530
- Großballenpresse Case 540
- Großballenpresse Case 550
- Großballenpressen
Produkte filtern
–