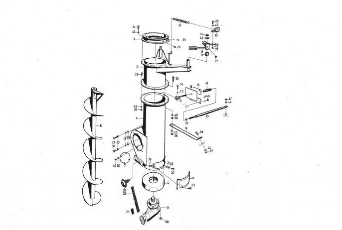
Steigschnecke
Kategorien
-
Digitaler Katalog
- MDW 514S ab BJ91
- MDW 524 (Variante Weißrussland)
-
MDW 524 (bis Baujahr 1993)
- Schneidwerk /Schacht
- Dreschwerk
-
Reinigung/ Körnerförderung
- Reinigung
- Reinigungssiebe
- Stufenboden
- Reinigungsantrieb
- Reinigungsgebläse
- Körner-Ährenschnecke
- Ährenelevator bis Masch.-Nr. 80-1010
- Ährenelevator von Masch.-Nr. 80-1011
- Obere Ährenschnecke
- Körnerelevator bis Masch.-Nr- 80-1010
- Körnerelevator von Masch.-Nr. 80-1011
- Korntank
- Tankfüllschnecke
- Korntankabdeckung, Korntankoberteil
- Steigschnecke
- Abtankschnecke
- Antriebselemente
- Maschinengestell
- Fahrerstand/ Bedienelemente/ Kabine
- Hydraulikanlage
- Elektroanlage
- Getriebe
- Zusatzausrüstung
- Triebwerk Nordhausen
- MDW 525
- MDW 527 bis BJ1995
- MDW 527 ab BJ1996
- MDW Farmer 220
- Case 521
- Case 525
- Case 527
- Case CF60
- Case CF70
- Case CF80
- Großballenpresse Case 530
- Großballenpresse Case 540
- Großballenpresse Case 550
- Großballenpressen
Produkte filtern
–